Domaine de la Clapière, Lorgues, Provence, France

  • Unconditional Online Auction Sale
  • Low Presale Estimate : €1,500,000
  • Bedrooms: 10
  • Bathrooms: 8
  • Reception Rooms: 4

Part of the Select Provençal Portfolio | Auctions October 2025

Private Estate with panoramic views over the Provençal countryside, award-winning rosé wine producing vines and just one hour from the French Riviera and St Tropez

Originally Listed for €4,950,000

Presale Estimate €1,500,000 - €3,000,000

- 10 bedrooms | 8 bathrooms
- Swimming pool
- Olive groves
- approx 700 m2
- Double garage
- Custodian house
- 9.5 Hectares of land

Nestled in approximately 9.5 hectares of exquisitely landscaped grounds, this remarkable Provençal estate combines timeless elegance with complete privacy. Surrounded by formal gardens, ancient olive groves, productive vineyards and tranquil woodland, the property enjoys panoramic views of the surrounding countryside, while the Mediterranean coast lies just a short drive away.

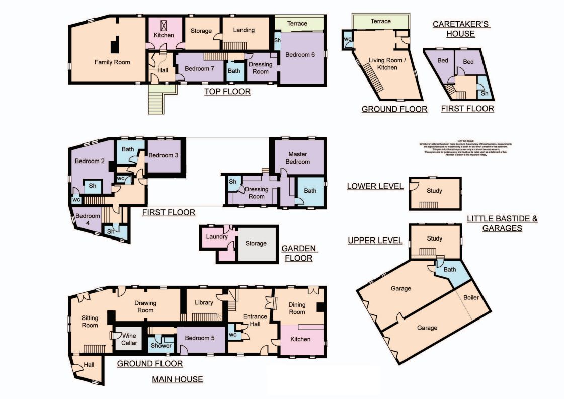
Main Bastide
The principal residence offers generous and beautifully appointed accommodation, including:

• Welcoming entrance hall
• Elegant dining room with fireplace, adjoining kitchen
• Refined drawing room with fireplace and a further sitting room
• Wine cellar and a library fitted with bespoke oak bookcases
• Spacious family room featuring a wood-burning stove
• Master suite with dual bathrooms/shower rooms and dressing rooms
• Six additional bedrooms, each with private en suite bath or shower room
• Two guest cloakrooms
• A second kitchen on the top floor for added convenience

Second Bastide
Currently configured as two studies with a full bathroom, this charming building offers potential to create two additional bedrooms or guest suites.

Caretaker’s Cottage
A fully independent cottage providing:

Living room with kitchen and wood-burning stove
Two bedrooms, shower room and WC

Gardens & Grounds
Formal landscaped gardens and ancient olive groves

4 hectares of AOC vineyard and orchard
Swimming pool with pool house
Expansive boules pitch, ideal for entertaining
Additional outbuildings and garaging for up to four cars

Subject to the weather, the estate produces some 20,000 litres of Rosé Cote de Provence per annum under the name of the "cave coopérative la lorguaise”, along with circa 50 litres of olive oil from some 269 trees.

For three years in a row from 2011, the estate produced its own "Cuvée de la Clapière" and proudly won the Medaille Bronze in Paris.

The estate "terroir" is considered excellent, and the owners have a beneficial formal arrangement with a respected local farmer, an experienced viticulturist, who manages the wine and olive production.

Further details upon request.

Location
Just 6 minutes from the property is the charming hilltop town of Lorgues with its narrow streets, boutique shops and excellent restaurants. Several other medieval villages are also closely and the French Riviera is some 30 to 40 kms (18 to 24 miles) distance making towns such as St. Maxime, St. Tropez, Cannes, Theoule sur Mer and La Napoule with its boats to Les Isles de Lerins and beyond all very accessible. Nice airport is 1 hour by car.


- - - - -


Propriété privée avec vue panoramique sur la campagne provençale, vignes produisant un vin rosé primé, à seulement 1 heure de la Côte d'Azur et de Saint-Tropez.

Prix initial : 4 950 000 €

Estimation avant vente : 1 500 000 € - 3 000 000 €

- 10 chambres | 8 salles de bain
- Piscine à débordement
- Oliveraies
- environ 700 m2
- Garage double
- Maison de gardien
- 9,5 hectares de terrain

Niché sur environ 9,5 hectares de terrain magnifiquement aménagé, ce remarquable domaine provençal allie élégance intemporelle et intimité totale. Entourée de jardins à la française, d'anciennes oliveraies, de vignobles productifs et de bois tranquilles, la propriété jouit d'une vue panoramique sur la campagne environnante, tandis que la côte méditerranéenne n'est qu'à une courte distance en voiture.

Bastide principale
La résidence principale offre un logement généreux et magnifiquement aménagé, comprenant :

• Un hall d'entrée accueillant
• Salle à manger avec cheminée, cuisine attenante
• Un salon raffiné avec cheminée et un autre salon
• Une cave à vin et une bibliothèque équipée de bibliothèques en chêne sur mesure.
• Salle familiale spacieuse dotée d'un poêle à bois
• Suite parentale avec deux salles de bains/douches et dressing
• Six autres chambres, chacune avec salle de bains ou salle d'eau privative
• Deux vestiaires pour les invités
• Une deuxième cuisine au dernier étage pour plus de commodité

Deuxième Bastide
Actuellement configuré comme deux bureaux avec une salle de bain complète, ce charmant bâtiment offre la possibilité de créer deux chambres supplémentaires ou des suites pour les invités.

Maison de gardien
Maison entièrement indépendante comprenant :

une salle de séjour avec cuisine et poêle à bois
deux chambres, une salle de douche et des toilettes

Jardins et terrains
Jardins paysagers et oliveraies anciennes

4 hectares de vignoble et de verger AOC
Piscine avec pool house
Grand terrain de boules, idéal pour recevoir
Dépendances supplémentaires et garage pour quatre voitures.

Sous réserve des conditions météorologiques, le domaine produit environ 20 000 litres de rosé Côte de Provence par an sous le nom de « cave coopérative la lorguaise », ainsi qu'environ 50 litres d'huile d'olive provenant de 269 arbres.

Pendant trois années consécutives à partir de 2011, le domaine a produit sa propre « Curvée de la Clapiere » et a fièrement remporté la médaille de bronze à Paris.

Le terroir du domaine est considéré comme excellent, et les propriétaires ont conclu un accord formel avantageux avec un agriculteur local, viticulteur expérimenté, qui gère la production de vin et d'olives.

Plus de détails sur demande.

Situation
À seulement 6 minutes de la propriété se trouve la charmante ville perchée de Lorgues avec ses rues étroites, ses boutiques et ses excellents restaurants. Plusieurs autres villages médiévaux se trouvent également à proximité et la côte est à une distance de 30 à 40 km, ce qui rend très accessibles des villes telles que Saint-Maxime, Saint-Tropez, Cannes, La Théoule sur Mer et La Napoule avec ses bateaux pour les îles de Lérins et au-delà. L'aéroport de Nice est à 1 heure de route.


Loading the bidding panel...

Listing Agent

Viewing

Camilla Furniss
+41766906528

Agreement Documents

Additional Documents

Related Documents

Enquire

Submit an enquiry and someone will be in contact shortly.

 
*  
*  
*
*
*

Share